Кто есть кто
Чтобы понять, почему на первый взгляд две совершенно разные модели имели столь ненадежный элемент в системе электрооборудования, нужно обратиться к истории. А она такова, что в основе двух моделей лежит Fiat 124 образца 1964 года.
Несмотря на внешние различия, автомобили унифицированы друг с другом на 85%
Изначально предполагалось, что концерн Fiat передаст документацию на 2 модели:
- Fiat 124, серийно выпускавшийся в Италии с 1966 года;
- Fiat 125 — автомобиль со схожим дизайном, но более высокого класса, появившийся в заводской программе итальянского автопроизводителя с 1967 года.
На представленном ниже видео вы можете увидеть LADA 1500L– именно под таким именем в Европе продавался экспортный вариант ВАЗ 2103.
Но в дальнейшем, при детальном рассмотрении оказалось, что освоение строящимся заводом в Тольятти сразу двух совершенно разных по конструкции подвески и силового агрегата моделей, будет достаточно сложной задачей. То же самое касалось и других элементов — электропроводка на ВАЗ 2103, система зажигания и освещения должны быть идентичны для удешевления производства.
Справочно: условия сделки были пересмотрены, в результате чего стороны договорились доработать документацию «люксового» автомобиля, чтобы унификация с ВАЗ 2101 была максимально возможной.
Замена старого блока на евро-предохранители ВАЗ 2101
Целесообразнее будет поставить блок предохранителей нового образца. Цена его приемлема – составляет около 400 рублей. За эту небольшую стоимость можно улучшить проводку на всем автомобиле.

Работы, которые необходимо произвести, чтобы заменить монтажный блок:
- Следует отсоединить клеммы от аккумуляторной батареи.
- Изготовить перемычки из кусков провода 1.5 кв. мм по обеим сторонам разъема типа «мама».
- Эти перемычки нужно установить на новом блоке, соединяя разъемы: третий с четвертым, пятый с шестым, седьмой с восьмым и девятый с десятым.
- Затем нужно открутить две гайки, которыми крепится монтажный блок, и снять его, не отсоединяя провода.

- После этого необходимо снимать провода по одному, чтобы не перепутать и надевать их на новый блок.
- После того, как провода будут подсоединены, следует внимательно осмотреть их, чтобы они нигде не прикасались друг к другу, и только лишь после этого подключить питание.

В конце следует сказать, что для того, чтобы проверить работу механизмов, входящих в схему ВАЗ-2101, можно использовать вольтметр или простую лампочку на 12 вольт. Необходимо проверить напряжение на выходе каждого предохранителя. Затем прикрутить две гайки и закрепить пластиковый щиток.
Самостоятельная замена предохранителя
При возникновении таких проблем необходимо проверить монтажный блок предохранителей. Чтобы получить к нему доступ, нужно разобрать приборную панель, которая находится с левой стороны от руля.
При произведении ремонта необходимо соблюдать обязательные рекомендации:
первым делом нужно отсоединить клеммы от аккумулятора, чтобы обесточить всю электрическую цепь автомобиля;
нужно быть внимательным при работе с пластмассовыми деталями, которые можно легко повредить.
нельзя производить замену предохранителя с несоответствием обозначению силы тока, также запрещено использовать проволоку вместо перегоревшего защитника – это может привести к возгоранию проводки;
после замены очень важно поставить на место щиток, который прикрывает монтажный блок предохранителей.
Если предохранитель перегорает второй раз подряд, необходимо проверить цепь проводов, приборов, самого блока, генератора или аккумуляторную батарею.
Подкапотная проводка
Электрическая схема культового автомобиля отличается простым размещением и надёжной эксплуатацией. Провода подключаются к соответствующим датчикам, приборам и узлам. Плотность соединения обеспечивают удобные быстроразъёмные штекерные соединения.
Всю систему электрической проводки можно разделить на шесть пучков проводов:
- передний;
- задний;
- правый и левый;
- пучки фар и боковых указателей поворота;
- провода аккумуляторной батареи;
- провода панели приборов.

Полная замена подкапотной проводки необходима при наличии многочисленных скруток на старых кабелях
К подкапотной проводке можно отнести передний пучок проводов, провода для указателей поворота и аккумулятора. В моторном отсеке расположены основные датчики и приборы:
- аккумулятор;
- стартер;
- генератор;
- модуль зажигания;
- высоковольтные провода и свечи зажигания.

Аккуратно уложенные провода под капотом говорят о любви водителя к автомобилю
В качестве питающего органа для этих приборов служат самые толстые провода, соединяющие кузов автомобиля с аккумуляторной батареей и двигателем. По этим проводам протекает ток наибольшей силы при запуске двигателя. Для предохранения электрических соединений от воды и грязи провода снабжены резиновыми наконечниками. Для исключения разброса и перепутывания все провода собраны в жгуты и разделены на отдельные пучки, которые проще заменить при необходимости.
Полная замена косы исключит потерю напряжения при плохом контакте и многочисленных скрутках
Жгут обмотан липкой лентой и закреплён на корпусе, что исключает свободное свисание и захватывание отдельных проводов подвижными частями силового агрегата. В месте расположения конкретного прибора или датчика жгут разделяется на самостоятельные нити. Жгуты обеспечивают определённый порядок подключения приборов, который отражён в электрической схеме.

Подробная схема позволяет найти участок проводов с плохим контактом
Номера позиций элементов электрической цепи на схеме подключения фар ВАЗ 2101:
- Фара.
- Аккумулятор.
- Генератор.
- Блок предохранителей.
- Переключатель света фар.
- Выключатель.
- Замок зажигания.
- Сигнализатор включения дальнего света.
Защёлки на пластиковых колодках штепсельных разъёмов обеспечивают надёжное соединение, предотвращая случайную потерю контакта от вибрации.
Неисправности дворников ВАЗ 2107
Замена сгоревшего моторчика
В зимнее время года при минусовой температуре часто дворники прилипают к лобовому стеклу. На моторчик дворников идет большая нагрузка, и он сгорает, если не успевает сработать биметаллический или сгореть плавкий предохранитель.

Расположение предохранителя очистителя и омывателя стекла в монтажном блоке
В таких случаях необходимо заменить моторчик. Для этого нужно снять все детали в определенном порядке:
- Открутить гайки крепления;
- отогнуть рычаг, снять его с посадочного места;
- ключом на 22 открутить крепления трапеции с двух сторон;
- снять пластиковые вставки;
- снять уплотнительную резинку капота;
- убрать питание от моторчика стеклоочистителя;
- вынуть его с приводом из отверстия в кузове;
- защитный чехол отогнуть, открутить гайки крепления;
- надавить на выступы шлицов с обратной стороны, на которые садятся рычаги дворников, чтобы они провалились внутрь, пошевелить в разные стороны, трапеция с моторчиком извлечется.
Реле на блоке предохранителей
Реле блока предохранителей и реле ВАЗ 2107 расположены в одном блоке с предохранителями. Их назначение:
|
|
- Реле стеклообогревателя заднего.
- Реле омывайки и фароочистителя.
- Питание сигнала звукового.
- Реле электровентилятора системы охлаждения (до 2000 г. в.).
- Реле дальнего освещения.
- Реле ближнего освещения.
Проверка исправности реле может быть проведена с помощью мультиметра. Для этого необходимо произвести прозвонку обмотки якоря. Ее сопротивление обычно находится в пределах от 50 до 200 Ом. Надежнее произвести пробное подключение обмотки к напряжению бортовой сети автомобиля. Для этого реле необходимо демонтировать из блока реле и предохранителей. Если один вывод обмотки подключить к плюсовой клемме аккумуляторной батареи, а другой — к отрицательной, должен быть слышим характерный щелчок сработавшего реле. Основные причины неисправности реле:
- подгорание контактов;
- обрыв или перегорание обмотки реле;
- залипание контактов.
Модификации автомобиля
ВАЗ-2101. Базовый советский седан ВАЗ-2101 с двигателем объемом 1.2 литра выпускал Волжский автозавод с 1970 по 1982 год.
ВАЗ-21011. Модернизированный в 1974 году автомобиль с двигателем объемом 1.3 литра и более презентабельным внешним видом.
ВАЗ-21012. Экспортная модификация с правым расположением рулевого колеса для стран с левосторонним движением.
ВАЗ-21013. Данную модель внешне полностью идентичную модели ВАЗ-21011, но с двигателем объемом 1.2 литра выпускали с 1977 года.
ВАЗ-21014. Модификация ВАЗ-21011 с правым расположением руля.
ВАЗ-21016. Автомобиль для правоохранительных органов, внешне идентична модели ВАЗ-2101, но с двигателем ВАЗ-21011.
ВАЗ-21018. Спецавтомобиль с 1-секционным роторным двигателем мощностью 70 лошадиных сил.
ВАЗ-21019. Очередная модель с роторным двигателем, на этот раз 2-секционным, мощностью 120 лошадиных сил.
Скачать руководство по устройству и эксплуатации авто
Самостоятельная замена предохранителя
При возникновении таких проблем необходимо проверить монтажный блок предохранителей. Чтобы получить к нему доступ, нужно разобрать приборную панель, которая находится с левой стороны от руля.
При произведении ремонта необходимо соблюдать обязательные рекомендации:
первым делом нужно отсоединить клеммы от аккумулятора, чтобы обесточить всю электрическую цепь автомобиля;
нужно быть внимательным при работе с пластмассовыми деталями, которые можно легко повредить.
нельзя производить замену предохранителя с несоответствием обозначению силы тока, также запрещено использовать проволоку вместо перегоревшего защитника – это может привести к возгоранию проводки;
после замены очень важно поставить на место щиток, который прикрывает монтажный блок предохранителей.
Если предохранитель перегорает второй раз подряд, необходимо проверить цепь проводов, приборов, самого блока, генератора или аккумуляторную батарею.
Распространенные причины выхода из строя

На фото: Реле дальнего света фар Ваз 2106 Чаще всего реле ближнего и дальнего света фар на автомобиле Ваз 2106 выходит из строя по следующим причинам:
- При исправном АКБ отсутствует ток зарядки, из-за чего он не заряжается. Это происходит при плохом присоединении проводов к зажимам реле или при обрыве цепи от генератора к батарее. Устраняется закреплением провода в цепи, проверкой и регулировкой регулятора напряжения и реле-регулятора.
- Недостаточный ток зарядки при разряженной АКБ или большой при полностью заряженном аккумуляторе вызваны нарушением регулировки регулятора напряжения. Устраняется регулировкой устройства или его заменой.
- Горение и перегорание ламп с чрезмерным накалом происходит при нарушении регулировки реле-регулятора или замыкании контактов. Устраняется разъединением и зачисткой замкнувших контактов, регулировкой или заменой регулятора напряжения.
- Большой ток разряда после остановки мотора. Происходит при замыкании контактов реле-регулятора (спекании контактов, поломке пружины якоря) или коротком замыкании электропровода. Ремонтируется нахождением и устранением короткого замыкания при отключенном аккумуляторе, проверкой и регулировкой ограничителя тока, размыканием и зачисткой контактов, заменой пружины с регулировкой ее зазора и натяжения.
К внешним признакам поломки реле света Ваз 2106 относятся следующие аспекты:
- Перестал гореть ближний и дальний свет фар.
- Перестали работать габариты и поворотники
А причин его поломки может быть несколько:
- выход из строя (перегорание) внутри реле контактных пластин (в народе их именуют “пятаками”), уменьшение площади их контакта, “залипание”;
- обрыв (обгорание) втягивающей и/или удерживающей обмотки;
- деформация или ослабление возвратной пружины;
- короткое замыкание во втягивающей или удерживающей обмотке.
Если вы обнаружили хотя бы один из перечисленных признаков, то следующим шагом по устранению поломки будет проведение детальной диагностики.
Порядок разборки блока предохранителей пятерки
Неисправности монтажного блока могут возникнуть в любой момент, поэтому автовладельцу следует научиться самостоятельно производить его разборку или замену. Под рукой всегда должна находиться схема предохранительного блока.
При возникновении неполадок в работе какого-либо электрического узла не следует сразу приниматься за ремонт соответствующего электродвигателя. Существует большая вероятность, что причиной поломки является именно предохранительный блок.
Расположение блока предохранителей отличается у автомобилей ВАЗ 2105 старого и нового образца:
- У «пятерки» старого образца внутренний блок предохранителей, находящийся внутри салона — его можно найти непосредственно под панелью приборов рядом с водительской дверью;
- А блок предохранителей ВАЗ 2105 нового образца располагается под капотом рядом с лобовым стеклом.
Для снятия крышки монтажного блока, ее нужно с небольшим усилием потянуть вверх. После этого можно приступать к ревизии предохранительных элементов.
Все предохранители отличаются по основному параметру — току срабатывания. На автомобилях ВАЗ 2105 используются предохранительные элементы, рассчитанные на силу тока от 6 до 20 А. Их следует подбирать в соответствии с мощностью потребления. Ни в коем случае нельзя использовать предохранитель, намного превышающий по параметрам требуемый, так как это может спровоцировать возникновение короткого замыкания электрооборудования.
Установка дополнительного электрооборудования часто вызывает необходимость пересчитать показатель максимального тока предохранителей. Для этого мощность потребителя следует разделить на величину напряжения бортовой сети пятерки (12) и подобрать элемент, ток срабатывания которого максимально приближен к полученному числу (в идеале, превышающий его на 20—25%).
Как заменить блок предохранителей ВАЗ 21053/ 21051/ 21055 :
В связи с тем, что основная функция блока предохранителей заключается в защите от электроповреждений более важных деталей автомобиля, он перегорает достаточно часто.
Для его замены следует приобрести новый рабочий блок и специальный накидной ключ на 13 мм.
Замена монтажного блока выполняется в таком порядке:
- Снимаем шурупы, которые закрепляют корпус блока;
- Смещаем колодки, которые подключаются снизу блока;
- Раскручиваем фиксаторы гаечным ключом на 10 мм;
- Снимаем старый блок и устанавливаем на его место новый.
Перед установкой нового блока следует осмотреть старый. Если есть контакты, которые перемкнуты между собой, то же необходимо сделать на новом блоке. После перемыкания контакты следует хорошо закрепить. Работу следует выполнить аккуратно, не перепутав места расположения перемычек.
Для установки предохранителей следует сверяться со схемой, так как при неправильном их размещении возникает высокая вероятность поломки нового блока.
Колодки блока предохранителей одинаковые, и для того чтобы разобраться, какого цвета пучок проводов следует подключить к тому или иному разъему блока, применяют специальную маркировку. Под колодками находится круглая цветовая метка: зеленого, голубого, белого, черного, красного или желтого цветов.
Для обозначения цветов проводов используют буквенные обозначения. Если провод двойного цвета, используют две буквы: первая — это цветовое обозначение провода, вторая — нанесенной на него полосы. Например, ПЧ — красный провод с черной полосой.
Применяются следующие буквенные обозначения цветов: Г — голубой; Ж — желтый; Ч — черный; П — красный; О — оранжевый; Р — розовый; З — зеленый; К — коричневый; С — серый; Б — белый; Ф — фиолетовый.
Для чего нужен блок предохранителей в схеме автомобиля?
С помощью блока предохранителей ВАЗ 2101 удается достичь максимальной степени защиты от короткого замыкания. Блок включает в себя несколько плавких элементов, которые в случае возникновения КЗ размыкают ту или иную цепь. Вся электропроводка ВАЗ 2101 поделена на составные части. Поэтому при коротком замыкании, например, в цепи питания прикуривателя, двигатель все равно будет заводиться и вы сможете доехать куда угодно. Все предохранители расположены в одном месте — это позволяет проводить осмотр электропроводки и ее диагностику максимально быстро.
Стоит также обратить внимание на одну особенность построения схемы автомобиля — все освещение разбито на две половины (левую и правую). Шанс того, что сгорят сразу оба предохранителя, 50/50, поэтому, в большинстве случаев ваш автомобиль будет иметь освещение хотя бы с одной стороны
Для ремонта достаточно открыть крышку блока и, воспользовавшись вышеприведенной таблицей, найти нужный элемент и заменить его на аналогичный. Обратите внимание на то, что нельзя ставить предохранители большего или меньшего номинала, так как в первом случае будет страдать электропроводка ВАЗ 2101 (изоляция рассчитана на меньшие токи), а во втором плавкий элемент будет сгорать при малейшей нагрузке.
Схема блока предохранителей ВАЗ 2107 (полная электрическая схема)
| № реле/ предохранителя | Обозначения |
| 1 | Блок-фары |
| 2 | Боковые указатели поворота |
| 3 | Аккумуляторная батарея |
| 4 | Реле включения стартера |
| 5 | Электропневмоклапан карбюратора |
| 6 | Микровыключатель карбюратора |
| 7 | Генератор 37.3701 |
| 8 | Моторедукторы очистителей фар* |
| 9 | Датчик включения электродвигателя вентилятора |
| 10 | Электродвигатель вентилятора системы охлаждения двигателя |
| 11 | Звуковые сигналы |
| 12 | Распределитель зажигания |
| 13 | Свечи зажигания |
| 14 | Стартер |
| 15 | Датчик указателя температуры охлаждающей жидкости |
| 16 | Подкапотная лампа |
| 17 | Датчик сигнализатора недостаточного давления масла |
| 18 | Датчик сигнализатора недостаточного уровня тормозной жидкости |
| 19 | Моторедуктор очистителя ветрового стекла |
| 20 | Блок управления электропневмоклапаном карбюратора |
| 21 | Катушка зажигания |
| 22 | Электродвигатель насоса омывателя фар* |
| 23 | Электродвигатель насоса омывателя ветрового стекла |
| 24 | Монтажный блок |
| 25 | Реле очистителя ветрового стекла |
| 26 | Реле аварийной сигнализации и указателей поворота |
| 27 | Выключатель сигнала торможения |
| 28 | Выключатель света заднего хода |
| 29 | Реле зажигания |
| 30 | Выключатель зажигания |
| 31 | Трехрычажный переключатель |
| 32 | Выключатель аварийной сигнализации |
| 33 | Штепсельная розетка для переносной лампы** |
| 34 | Переключатель вентилятора отопителя |
| 35 | Дополнительный резистор электродвигателя отопителя |
| 36 | Лампа сигнализатора включения обогрева заднего стекла |
| 37 | Лампа сигнализатора недостаточного уровня тормозной жидкости |
| 38 | Блок сигнализаторов |
| 39 | Электродвигатель вентилятора отопителя |
| 40 | Лампа освещения вещевого ящика |
| 41 | Выключатели плафонов на стойках передних дверей |
| 42 | Выключатели фонарей сигнализации открытых передних дверей*** |
| 43 | Фонари сигнализации открытых передних дверей*** |
| 44 | Соединительная колодка |
| 45 | Прикуриватель |
| 46 | Часы |
| 47 | Выключатель освещения приборов |
| 48 | Диод для проверки исправности лампы сигнализатора недостаточного уровня тормозной жидкости |
| 49 | Указатель уровня топлива |
| 50 | Лампа сигнализатора резерва топлива |
| 51 | Спидометр |
| 52 | Лампа сигнализатора включения указателей поворота |
| 53 | Лампа сигнализатора прикрытия воздушной заслонки карбюратора |
| 54 | Лампа сигнализатора заряда аккумуляторной батареи |
| 55 | Выключатель сигнализатора прикрытия воздушной заслонки карбюратора |
| 56 | Комбинация приборов |
| 57 | Эконометр |
| 58 | Выключатели плафона на стойках задних дверей |
| 59 | Указатель температуры охлаждающей жидкости |
| 60 | Тахометр |
| 61 | Лампа сигнализатора включения стояночного тормоза |
| 62 | Лампа сигнализатора недостаточного давления масла |
| 63 | Лампа сигнализатора включения дальнего света фар |
| 64 | Лампа сигнализатора включения наружного освещения |
| 65 | Вольтметр |
| 66 | Выключатель сигнализатора включения стояночного тормоза |
| 67 | Выключатель наружного освещения |
| 68 | Выключатель обогрева заднего стекла с лампой подсветки |
| 69 | Выключатель заднего противотуманного света с сигнализатором включения* ** *** |
| 70 | Предохранитель цепи противотуманного света |
| 71 | Плафон**** |
| 72 | Задние фонари |
| 73 | Датчик указателя уровня и резерва топлива |
| 74 | Колодки для подключения к элементу обогрева заднего стекла* |
| 75 | Фонари освещения номерного знака |
Порядок условной нумерации штекеров в колодках:
а — блок-фар, очистителей фар и ветрового стекла, реле очистителя ветрового стекла, блока управления электропневмоклапаном карбюратора;
б — монтажного блока и трехрычажного переключателя;
в — реле аварийной сигнализации и указателей поворота;
г — задних фонарей (нумерация выводов по порядку от края платы);
д — выключателя аварийной сигнализации.
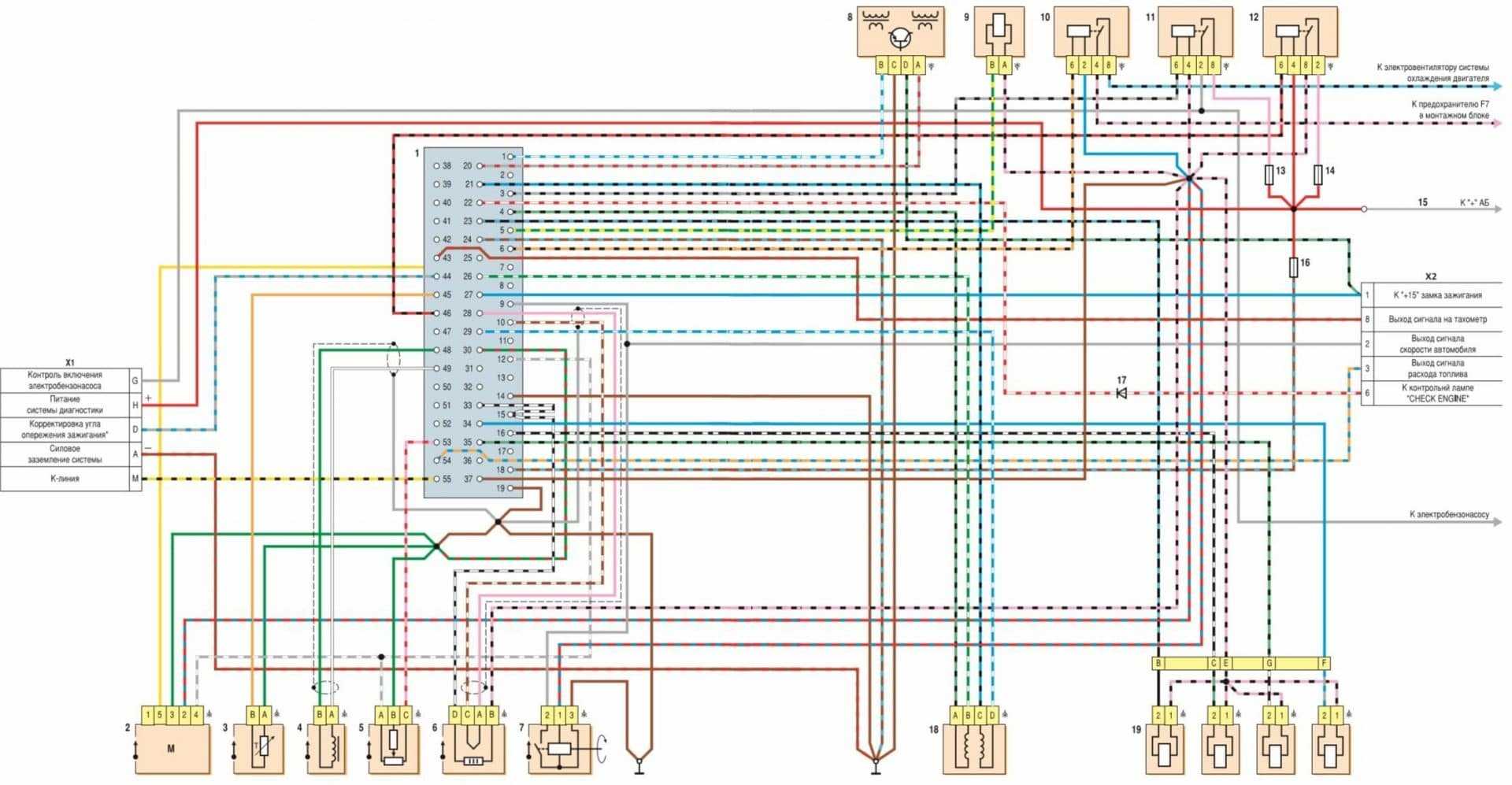
ВАЗ 2107 — схема инжектора (система управления впрыска топлива)

| № реле/ предохранителя | Обозначения |
| 1 | Разъем контроллера |
| 2 | Датчик массового расхода воздуха |
| 3 | Датчик температуры охлаждающей жидкости |
| 4 | Датчик положения коленчатого вала |
| 5 | Датчик положения дроссельной заслонки |
| 6 | Датчик концентрации кислорода |
| 7 | Датчик скорости |
| 8 | Модуль зажигания |
| 9 | Электромагнитный клапан продувки адсорбера |
| 10 | Реле электровентилятора |
| 11 | Реле электробензонасоса |
| 12 | Главное реле |
| 13 | Предохранитель, защищающий силовую цепь реле электробензонасоса |
| 14 | Предохранитель, защищающий силовые цепи главного реле |
| 15 | Плавкая вставка |
| 16 | Предохранитель, защищающий цепь постоянного питания контроллера |
| 17 | Диод |
| 18 | Регулятор холостого хода |
| 19 | Форсунки |
| Х1 | Колодка диагностики |
| Х2 | Колодка соединения с системой электрооборудования автомобиля |
Блок предохранителей ВАЗ 2104 2105
Где расположен монтажный блок предохранителей ВАЗ: 2104, 2105 (карбюратор, инжектор)
Монтажный блок расположен в моторном отсеке с правой стороны и закреплен на щите передка. Монтажный блок сверху закрыт крышкой, на которой нанесены символы назначения реле, номера предохранителей и защищаемые ими цепи. Большинство цепей электрооборудования автомобиля защищено плавкими предохранителями, установленными в монтажном блоке.
| Номер предохранителя | Сила тока,А | Защищаемые цепи |
| F1 | 10 | Задние фонари (сеет заднего хода). Электродвигатель отопителя Контрольная лампа и реле обогрева заднего стекла (обмотка) |
| F2 | 10 | Электродвигатели стеклоочистителя и насоса омывателя ветрового стекла. Реле очистителя ветрового стекла |
| F3 | 10 | Резервный |
| F4 | 10 | Резервный |
| F5 | 20 | Элемент обогрева заднего стекла и реле включения обогрева (контакты) |
| F6 | 10 | Прикуриватель. Штепсельная розетка переносной лампы |
| F7 | 20 | Звуковые сигналы и реле включения звуковых сигналов. Электродвигатель вентиля тора системы охлаждения двигателя и реле включения электродвигателя (контакты) |
| F8 | 10 | Указатели поворота в режиме аварийной сигнализации. Выключатель и реле-прерыватель указателей поворота и аварийной сигнализации в режиме аварийной сигнализации |
| F9 | 7.5 | Регулятор напряжения генератора (на автомобилях с генератором Г-222) |
| F10 | 10 | Указатели поворота в режиме указания поворота и соответствующая контрольная лампа. Реле-прерыватель указателей поворота. Сигнализатор указателей поворота Тахометр Указатель уровня топлива. Указатель температуры охлаждающей жидкости. Вольтметр. Реле включения электродвигателя вентилятора (обмотка). Контрольная лампа заряда аккумуляторной батареи. Контрольные лампы резерва топлива и включения стояночного тормоза. Сигнальные лампы аварийного падения давления масла и недостаточного уровня тормозной жидкости. Контрольная лампа включения стояночного тормоза. Контрольная лампа прикрытия воздушной заслонки карбюратора (для карбюраторного двигателя). Термовыключатель электровенти-лятора. Система управления пневмоклапаном карбюратора Обмотка возбуждения генератора (генератор 37.3701) |
| F11 | 10 | Задние фонари (лампы стоп-сигнала). Плафон внутреннего освещения кузова |
| F12 | 10 | Правая фара (дальний свет). Обмотка реле включения очистителей фар (при включенном дальнем сеете) |
| F13 | 10 | Левая фара (дальний свет). Контрольная лампа включения дальнего света фар |
| F14 | 10 | Левая фара (габаритный свет). Правый задний фонарь (габаритный свет). Фонари освещения номерного знака. Подкапотная лампа Контрольная лампа включения габаритного света |
| F15 | 10 | Правая фара (габаритный свет). Левый задний фонарь (габаритный свет). Лампа освещения прикуривателя. Лампа освещения приборов. Лампа освещения вещевого ящика |
| F16 | 10 | Правая фара (ближний свет). Обмотка реле включения очистителей фар (при включенном ближнем сеете) |
| F17 | 10 | Левая фара (ближний свет) |
Схема соединений монтажного блока:
P1 — реле включения обогрева заднего стекла; P2 — реле включения очистителей и омывателей фар; PЗ — реле включения звуковых сигналов; P4 — реле включения электродвигателя вентилятора системы охлаждения двигателя; P5 — реле включения дальнего света фар; P6 — реле включения ближнего света фар; А — порядок условной нумерации штекеров в колодках монтажного блока. Наружная цифра с буквой «Ш» в обозначении штекера — номер колодки, а внутренняя цифра — условный номер штекера. Штекеры колодок без цветной маркировки условно показаны коричневым цветом
Расположение реле и предохранителей в монтажном блоке: 1 — реле включения обогрева заднего стекла; 2 — место для установки реле включения очистителей и омывателей фар (реле устанавливают на часть выпускаемых автомобилей); 3 — монтажная перемычка на месте реле включения звуковых сигналов (в вариантном исполнении устанавливают реле); 4 — монтажная перемычка на месте реле включения электродвигателя вентилятора си стемы охлаждения (в вариантном исполнении устанавливают реле); 5 — реле включения дальнего света фар; 6 — реле включения ближнего света фар; F1-F17 — плавкие предохранители (цепи, защищаемые плавкими предохранителями штыревого типа, указаны в табл. выше).
Приборы электрооборудования, потребляющие при работе большой ток, подключены через реле, защищающие от перегрузки контакты выключателей. Для замены штыревых предохранителей и реле в монтажном блоке предусмотрены специальные пластмассовые пинцеты. Предохранители разного номинала окрашены разным цветом; кроме того, на предохранителе нанесено числовое значение силы тока, на который он рассчитан (номинал). Цвет корпуса предохранителя и его соответствие номиналу 20А — Желтый 15А — Голубой 10А — Красный 7,5А — Коричневый
Руководство по ремонту ВАЗ «ОКА» 1111 1988-2008
- Руководства по ремонту
- ВАЗ «ОКА» 1111 1988-2008
Общая информация об автомобиле. Автомобили ВАЗ-1111 «Ока» начали разрабатываться в конце 80-х годов Серпуховским автомобильным заводом. Чуть позже производство модели перенесли на АвтоВАЗ, где произошло превращение проекта из небольшой мотоколяски до полноценного автомобиля.
Выпускался автомобиль с передним расположением двигателя, объемом 0,65 л. Позже с конвейера завода начали сходить более мощные комплектации с объемом двигателя 0,75 литра. Он мог развивать мощность до 33 лошадиные силы.
Ходовая часть авто считается традиционной для подобных моделей: в задней подвеске установлена поперечная балка, а в передней установлен стабилизатор.
Тормозная система – гидравлическая, с барабанным тормозом сзади, и дисковым – спереди. Почти у всех советских автомобилей того времени регулятор давления заднего тормоза находился непосредственно в мосте, а в «Оке»он располагался под капотом. Регулировка зазора в задних тормозах производится вручную, хотя изначально разработчики планировали перевести этот процесс в автоматический режим.
Ремонт ВАЗ-1111 «Ока» производится на специализированных станциях технического обслуживания, хотя ремонт можно проводить и своими руками. Для этого вы можете скачать данное руководство, или же воспользоваться им в режиме онлайн.
Разработчики остановили свой выбор на 12-дюймовых колесах, крепящихся к ступицам тремя прочными гайками. В отдельных комплектациях крепление колес осуществлялось не на 3, а на 4 гайки.
Что касаемо интерьера автомобиля, то можно сказать только одно: он очень скромный. Все детали, все мелочи были сделаны с целью доступности авто. Передняя панель была позаимствована у «коллеги по цеху» – ВАЗ-2101. Ящик для вещей отсутствует. К тому же, есть много частей голого металла, не прикрытого декоративным пластиком. Отдельные модификации выпускались с дополнительной отделкой и более современной приборной панелью.
Очень много деталей автомобиля ВАЗ-1111 «Ока» было позаимствовано у других моделей (2101, 2108, 2121 и так далее). Однако, несмотря на дешевизну и простоту изготовления, данная модель все же сумела найти свою целевую аудиторию.
↓ Комментарии ↓
ВАЗ-1111-11113 ОКА
Раздел 1.УСТРОЙСТВО АВТОМОБИЛЯ
Общие сведения об автомобилях Паспортные данные автомобиля
Раздел 2.ДВИГАТЕЛЬ
Возможные неисправности двигателя, их причины и способы устранения Полезные советы Замена охлаждающей жидкости Замена масла в двигателе и масляного фильтра Очистка системы вентиляции картера Установка поршня первого цилиндра в положение ВМТ такта сжатия Регулировка натяжения ремня привода распределительного вала Замена натяжного ролика Замена ремня привода распределительного вала Снятие, установка и дефектовка маховика Замена деталей уплотнения двигателя Головка блока цилиндров Регулировка зазоров в приводе клапанов Снятие и установка двигателя Ремонт двигателя Система смазки Система охлаждения Система выпуска отработавших газов Система питания
Раздел 3.ТРАНСМИССИЯ
Сцепление Коробка передач Приводы передних колес
Раздел 4.ХОДОВАЯ ЧАСТЬ
Передняя подвеска Задняя подвеска
Раздел 5.РУЛЕВОЕ УПРАВЛЕНИЕ
Осмотр и проверка рулевого управления на автомобиле Рулевая колонка Рулевой механизм Рулевая трапеция
Раздел 6.ТОРМОЗНАЯ СИСТЕМА
Проверка и регулировка тормозной системы Замена тормозной жидкости Прокачка гидропривода тормозной системы Главный тормозной цилиндр Вакуумный усилитель тормозов Регулятор давления Замена шлангов и трубопроводов гидропривода тормозов Тормозные механизмы передних колес Тормозные механизмы задних колес Стояночный тормоз
Раздел 7.ЭЛЕКТРООБОРУДОВАНИЕ
Предохранители и реле Генератор Стартер Система зажигания Освещение,световая и звуковая сигнализация Стеклоочистители и омыватели Вентилятор системы охлаждения двигателя Комбинация приборов Выключатели и переключатели
Раздел 8.КУЗОВ
Возможные неисправности кузова, их причины и способы устранения Замена буферов Капот Боковая дверь Задняя дверь Зеркала заднего вида Сиденья Отопитель Уход за кузовом
Приложения
Приложение 1. Моменты затяжки резьбовых соединений Приложение 2. Горюче-смазочные материалы и эксплуатационные жидкости Приложение 3. Основные данные для регулировок и контроля Приложение 4. Заправочные объемы, л Приложение 5. Сальники Приложение 6. Схема расположения подшипников качения Приложение 7. Схема электрооборудования автомобиля: 1 — боковой повторитель указателя поворота; 2 — передний указатель поворота; 3 — фара; 4 — электродвигатель вентилятора системы охлаждения; 5 — звуковой сигнал; 6 — датчик включения электродвигателя ве
Руководство по демонтажу и замене
Какой предохранитель и за что отвечает на ваз-2106 Прежде чем приступить к замене предохранительных устройств, расположенных в основном блоке, необходимо выключить зажигание и клеммы от аккумуляторной батареи под капотом.
Процедура замены осуществляется так:
- Найдите место установки устройства. На пластиковой накладке блока имеются фиксаторы, на них следует нажать. Сняв накладку, вы сможете увидеть схему, нанесенную на обратную сторону, здесь указывается месторасположения и назначение всех применяемых элементов.
- Затем нужно выявить, какое устройство вышло из строя и подлежит замене. Иногда определить поломку можно визуально – сам компонент может быть перегоревший, иногда в нем явно видна оборванная нить.
- Под крышкой девайса вы увидите пинцет, его можно использовать для снятия устройства. При отсутствии пинцета можно взять пассатижи.
- Извлеките выгоревший элемент и замените его на новый, после чего установите на место крышку и подключите клеммы аккумулятора (видео снято и опубликовано каналом AVTOCLUB_22).
Для проверки и замены выполните следующие действия:
- Сначала вам потребуется крестовая отвертка, используйте ее для снятия двух переключателей, расположенных в средней части консоли, в районе установки аудиосистемы.
- Используя отвертку, вам необходимо будет отжать два крепления.
- Затем снимите пластиковую вставку.
- Теперь вы сможете извлечь корпус предохранителя. Демонтируйте защитную крышку устройства и произведите замену детали на новую.
Снятие и замена блока с компонентами производится так:
- Для начала откройте моторный отсек своей машины и выполните демонтаж корпуса воздухофильтра. Выкрутите гайки, которые фиксируют корпус, крестообразной отверткой.
- Затем под девайсом вы сможете увидеть штекер с кабелями, подсоединенными к девайсу, вам нужно отключить его. На самом корпусе изделия нанесена маркировка в цветах, она соответствует цвету подсоединенных разъемов. С учетом этих штекеров можно избежать необходимости маркировки кабелей.
- После этого следует залезть в салон транспортного средства и снять полочку, которая находится под контрольным щитком. После этого открутите болты, которые держат корпус бардачка.
- Далее, отключите штекер с кабелями, подсоединенными к разъемам непосредственно устройства. Сделав это, вы сможете увидеть цветную маркировку.
- Используя гаечный ключ, выкрутите болты, которые крепят сам блок. Учтите – самый крайний винт на корпусе скрыт, поэтому вы не сможете его сразу увидеть.
- В конце снимите блок с устройствами, теперь девайс можно заменить. Монтаж нового девайса, а также сборка компонентов осуществляется в обратном порядке.






























