Закрытая система с 2/2-ходовыми электромагнитными клапанами
После выхода разных законодательных положений по защите патентных прав многие производители все чаще стали использовать антиблокировочную закрытую систему с 2/2-ходовыми электромагнитными клапанами, которая сочетает преимущества обеих описанных выше систем: быстрая точная модуляция тормозного усилия 2/2-ходовыми электромагнитными клапанами, отвечающими за впуск и выпуск на каждом колесном тормозном цилиндре, и отсутствие потери тормозной жидкости из участка гидравлического контура, нагруженного тормозным усилием, в результате ABS-регулирования.
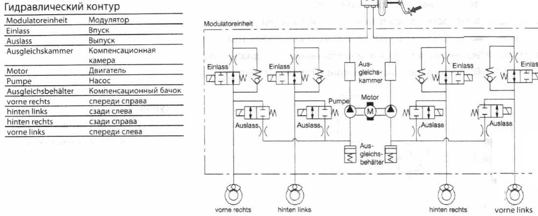
На рисунке представлен гидравлический контур закрытой 4-канальной антиблокировочной системы с разделением контуров тормозного привода по диагонали при помощи 2/2-ходовых электромагнитных клапанов.

Принцип включения электромагнитных клапанов для увеличения, удержания и уменьшения тормозного усилия при ABS-регулировании такой же, как и в описанной выше системе.
Стандартное положение или повышение тормозного усилия: в обесточенном состоянии все впускные клапаны открыты, все выпускные клапаны закрыты. Тормозное усилие главного тормозного цилиндра при нажатии на педаль тормоза может беспрепятственно воздействовать на колесный и тормозной цилиндр.
Удержание тормозного усилия: впускной клапан закрывается (подается питание), выпускной клапан в обесточенном положении остается закрытым. Давление тормозной жидкости в соответствующем цилиндре остается постоянным.
Уменьшение тормозного усилия: впускной клапан остается закрытым (подается питание), выпускной клапан открывается (подается питание). Тормозное усилие может быть уменьшено путем сброса давления через выпускной клапан в компенсационный бачок.
Насос обратной подачи включается, когда на одном из колесных тормозных цилиндрах должно быть уменьшено тормозное усилие. В результате тормозная жидкость из компенсационного бачка через компенсационную камеру возвращается в главный тормозной цилиндр. Насос отключается только в том случае, когда регулирования больше не требуется.
При ABS-регулировании выполняется точная модуляция тормозного усилия путем кратковременного включения и отключения электромагнитных клапанов, вследствие чего тормозное усилие увеличивается или уменьшается постепенно. Процесс регулирования колесного тормозного цилиндра так как он происходит в действительности, представлен на рисунке.

Впускной клапан закрывается (подача питания) для удержания тормозного усилия и предотвращения его дальнейшего увеличения, поскольку скорость вращения колеса становится гораздо меньше скорости движения. Поскольку скорость вращения колеса продолжает падать, кратковременно открывается выпускной клапан (подача питания) для незначительного снижения тормозного усилия. Включается двигатель насоса. В результате незначительного тормозного усилия и снижения тормозного действия скорость вращения колеса снова приближается к скорости движения автомобиля. Тормозное усилие снова может быть увеличено. Для этого впускной клапан кратковременно открывается (обесточенное состояние). На представленном примере сразу же после этого впускной клапан еще раз кратковременно открывается, так как тормозное усилие может увеличиваться дальше. Затем снова кратковременно открывается выпускной клапан и т.д.
Возможность точной модуляции тормозного усилия часто используется и для работы электронного распределителя тормозных сил (EBV). Он включается перед системой ABS, когда при легком торможении появляется слишком сильное замедление задних колес. На рисунке представлен рабочий диапазон электронного распределителя тормозных сил.

При помощи электроники системы ABS распределение тормозных сил может точно подстраиваться под разную нагрузку автомобиля для обеспечения максимальной степени его устойчивости в любых условиях. Механический распределитель тормозных сил и редукционный клапан для задних тормозов в данном случае излишни и могут не устанавливаться.
Ремонт блока ABS
Конечно же можно попробовать диагностировать поломку ABS самостоятельно, благо в интернете есть уйма инструкций, а на YouTube — множество видео об этом процессе. Однако, стоит помнить, что для профессиональной диагностики современной автоэлектроники необходимо профессиональное оборудование, которое вряд ли есть под рукой в гараже обычного автовладельца.
Да и обращаться в «гараж-сервис» тоже не рекомендуется, ведь кустарное оборудование или сканер ELM327, купленный на «али», тоже не смогу 100% точно определить поломку АБС и диагностировать причину неработоспособности системы или отдельных модулей.
Эксперты сходятся во мнении: для профессионального ремонта и диагностики модулей АБС рекомендуется обращаться либо в официальный сервис, либо в компании, занимающиеся автоэлектрикой и электроникой.
Если вы живете в Краснодаре и столкнулись с проблемой с антиблокировочной системой вашего автомобиля, то рекомендуем обратиться в автоателье «Кварц-Авто». Обслуживание и ремонт блоков АБС — одно из основных направлений деятельности этой компании. Специалисты автоателье занимаются ABS автомобилей следующих марок: Mercedes, BMW, Audi, VW, Skoda, Toyota, Lexus, Nissan, Infinity, Ford, Mazda, Peugeot, Hyundai, Kia, Opel, Honda.
Торможение прерывистыми нажатиями на педаль тормоза
Существует еще один способ торможения, который может применяться как с АБС, так и без нее — торможение прерывистыми нажатиями на педаль тормоза. Заключается он в том, что водитель давит на педаль тормоза резко, сильно, но в течение коротких промежутков времени. Т.е. он то нажимает педаль, то отпускает ее.
При таком торможении колеса автомобиля блокируются-разблокируются. Такой способ позволяет уменьшить тормозной путь автомобиля. Это происходит за счет того, что при кратковременных нажатиях на педаль тормоза вес автомобиля переносится на его переднюю ось. Также в моменты отпускания педали тормоза автомобиль сохраняет управляемость.
Существует спорное мнение, что если человек умеет тормозить прерывисто, то ему не нужна система АБС. Хотя прерывистое торможение и позволяет снизить тормозной путь, у него есть недостаток. Для того, чтобы в критической ситуации затормозить таким способом, необходимо прерывисто тормозить постоянно. Это позволит выработать соответствующий навык. Но при прерывистом торможении автомобиль сильно раскачивается и, поэтому, постоянно тормозить таким способом некомфортно для водителя. И уж тем более постоянная раскачка не понравится Вашим пассажирам!
Ну а поскольку система АБС сама срабатывает в момент резкого торможения, она является незаменимым помощником в любом автомобиле.
Приём, использовавшийся до появления АБС
Опытные водители давно научились противостоять срыву колёс на торможении. Им хорошо известно, что эффектное торможение с юзом и дымом из-под колёс на самом деле неэффективно. Тормозной путь заметно удлиняется. В борьбе за метры жизненного пространства перед остановившимся автомобилем существовали два приёма. Собственно, используются они и сейчас, например, в автоспорте, где АБС запрещена во многих дисциплинах.
Торможение на грани блокировки шин. Технически очень сложный приём, требует хорошей тренированности вестибулярного аппарата. Надо очень тонко улавливать грань скольжения по изменению замедления в нежелательную сторону, когда усилие на педали совсем немного добавилось, а торможение ухудшилось. Ситуация усложняется неравномерностью коэффициента сцепления по всем четырём колёсам. Любое из них может попасть на участок с грязью, льдом или вообще на обочину дороги.
Прерывистое торможение. При обнаружении грани блокирования всё равно педаль надо отпускать, так не лучше ли это сделать заранее, предварительно гарантированно превысив допустимый предел по силе нажатия? И сразу же снова нажать. Подобный приём хорошо известен в радиоэлектронике, где он называется широтно-импульсным модулированием. Причём там он настолько хорошо прижился, что на его основе работают почти все силовые регуляторы. Надо только обеспечить обратную связь.
В описанных способах обратная связь идёт через органы чувств человека, а результат зависит от его способностей и опыта. Естественно, автомобильные инженеры захотели заменить человека автоматикой, которую проще раз и навсегда обучить, а потом лишь тиражировать механизмы и алгоритмы. Тем более что возможности электромеханических устройств по скорости реакции куда лучше, чем у человека. Так и появились первые серийные антиблокировочные системы, известные сейчас под аббревиатурой ABS.
Системы АБС показали высокую эффективность, и существуют области применения, где они стали обязательными. Например, в автобусах и даже в авиации. Попытки остановить тяжёлый авиалайнер колёсными тормозами однозначно приводят к протиранию и взрыву покрышек, после чего катастрофа неизбежна. Торможение на грани, когда колёса всё же проворачиваются, спасает шины, а значит и человеческие жизни. Пилот в ручном режиме так тормозить не может, обратная связь в многотонной машине сведена практически к нулю.
Немного истории
Первые устройства, схожи по принципу действия с АБС, были созданы еще в далеких 20-ых годах прошлого столетия, и предназначались для шасси самолетов. Для автомобилей данная технология была придумана и запатентована компанией Bosch перед началом Второй мировой войны.

История ABS Bosch
Но реализовать данную технологию в реальную разработку удалось только в 60-ых годах, с приходом эры полупроводников и компьютеров. Над созданием прототипа АБС, отдельно друг от друга, трудились лучшие умы Bosch, GM, General Electric, Lincoln, Chrysler и др.
Несколько исторических фактов:
- Первый американский аналог АБС создан в 1954 году компанией Форд, и после доработки, в 1970 году успешно начал функционировать на автомобилях Lincoln.
- Первая британская примитивная система схожа на АБС разработанная совместно Dunlop и General Electric была адаптирована и установлена на Jaguar в 1958 году. После ряда изменений и тестов задействована, в 1966 году, на спортивном Jenssen FF.
- Европейская система АБС была создана Хайнцом Либером, который начал разработку в 1964 году будучи инженером Teldix GmbH, а окончательно представил миру «ABS 1» в 1970 году, работая на компанию Daimler-Benz. Для испытаний, Daimler-Benz начали сотрудничать с Bosch.
- Впервые «ABS 2» от компании Bosch была установлена в 1978 году на Mercedes Benz W116, а через пару лет и на автомобилях BMW 7. Поскольку цена системы была довольно высока, составляла приблизительно десятую часть стоимости автомобиля, она устанавливалась как опция.
- Серийная установка антиблокировочной системы на европейские автомобили началась только с 1992 года.
- С 2004 года АБС устанавливается на все автомобили из ЕС.
Типы антиблокировочных систем
Типы систем зависят от типа тормозов, установленых в автомобиле. Рассмотрим системы по числу клапанов, которые контролируются отдельно и по количеству датчиков скорости. Так проще.
- Четыре канала и четыре датчика — Датчики скорости стоят на каждом колесе, и каждое колесо имеет свой, отдельный клапан. Блок управления может следить за каждым колесом в отдельности и обеспечивать наилучшее торможение.
- Три канала и три датчика — Обычно такой тип используется на небольших грузовиках (пикапах) при воздействии ABS на все четыре колеса. Передние колеса имеют два датчика и клапана, по одному для каждого колеса, а для задних колес устанавливается один датчик и клапан. Датчик скорости задних колес расположен на заднем мосту. Такая система предусматривает индивидуальный контроль для каждого переднего колеса, обеспечивая максимальное усилие торможения. Задние же колеса отслеживаются в паре, т.е. для срабатывания ABS необходима блокировка обоих задних колес. Такой тип ABS допускает блокировку одного заднего колеса при торможении, что снижает его эффективность.
- По одному каналу и датчику — Такой тип обычно устанавливается на небольших грузовиках (пикапах) при воздействии ABS только на задние колеса. Такая ABS имеет только один клапан для контроля обоих задних колес и один датчик, расположенный на заднем мосту. Данный тип функционирует так же, как и задняя часть трехканальной ABS. Задние колеса отслеживаются в паре, т.е. для срабатывания ABS необходима блокировка обоих задних колес. Такой тип ABS допускает блокировку одного заднего колеса при торможении, что снижает его эффективность. Такую ABS легко узнать. Обычно она имеет одну тормозную магистраль, идущую к обоим задних колесам через тройник. Вы также можете найти датчик скорости по электрическому соединению рядом с дифференциалом заднего моста.

Есть и типичные вопросы про ABS, которые достаточно часто озвучиваются любыми водителями, от начинающих до опытных.
Самый первый вопрос касаемо наличия ABS – нужно ли тормозить прерывистым усилием на скользкой дороге самостоятельно.
Если у вас есть ABS в автомобиле – не нужно тормозить прерывистым усилием. Прерывистое нажатие на педаль тормоза используется при торможении автомобиля без ABS для предотвращения блокировки колес и сохранения управления машиной. В автомобилях с ABS блокировка колес не происходит никогда, поэтому прерывистое нажатие на педаль лишь продлит время остановки. При экстренном торможении на автомобиле с ABS необходимо уверенно нажимать на педаль тормоза и удерживать ее нажатой, пока ABS осуществляет торможение. Вы можете почувствовать сильную пульсацию педали, но так и должно быть, не отпускайте педаль.

Следующий вопрос связан с эффективностью системы.
ABS делает торможение более эффективным. Она предотвращает блокировку колес и обеспечивает наименьший тормозной путь на скользкой дороге. Но способствует ли ABS предотвращению ДТП? Американский институт дорожной безопасности провел ряд исследований для определения, насколько часто автомобили ABS участвуют в ДТП со смертельным исходом. Результаты исследования 1996 г. показали, что ABS не предотвращает возникновение ДТП со смертельным исходом. Также было отмечено, что автомобили с ABS реже участвуют в ДТП со смертельным исходом для водителя и пассажиров автомобиля, с которым произошло столкновение, но чаще со смертельным исходом для водителя и пассажиров машины с ABS, особенно при ДТП с участием одного автомобиля. По этой причине до сих пор ведутся споры по поводу эффективности ABS. Некоторые считают, что водители автомобилей с ABS неправильно осуществляют торможение и отпускают педаль, когда чувствуют ее пульсацию. Некоторые считают, что если ABS позволяет управлять автомобилем при экстренном торможении, то многие в приступе паники съезжают с дороги и разбиваются. Последние исследования показывают, что автомобили, оборудованные ABS, реже участвуют в ДТП, однако это еще не является основанием полагать, что ABS повышает безопасность движения.

Вместо заключения можно лишь сказать о том, что за системой нужно следить и вовремя обслуживать ее
Обращайте внимание на информирование вас вашим автомобилем. Помните о том, что один неисправный датчик может привести к проблемам в экстренной ситуации. Лучше один раз потратиться и поменять датчик, чем стать виновником ДТП или и вовсе врезаться в ограждение на скользкой трассе
Лучше один раз потратиться и поменять датчик, чем стать виновником ДТП или и вовсе врезаться в ограждение на скользкой трассе.

Краткая история появления системы АБС
Впервые проблема блокировки колёс при торможении стала актуальной при эксплуатации железнодорожного транспорта. Заблокированные колёса поезда не только быстрее изнашивались, но и могли привезти к большой трагедии – сходу состава с рельсов. В 1936 году компания Bosch запатентовала технологию предотвращения блокировки колёс, но реализовать её было невозможно из-за малого развития электроники. Настоящий прогресс ждал эту область в 60-70-е годы прошлого века, когда появились полупроводниковые технологии. В итоге в 1970 году крупнейший немецкий автоконцерн Daimler-Benz презентовал первые модели безопасных АБС. Чуть позже через 8 лет появился первый автомобиль, укомплектованный системой ABS. Им стал Mercedes-Benz S-класса.
Как работает АБС автомобиля
Антиблокировочная система работает следующим образом:
При нажатии на педаль тормоза она давит на жидкость в главном тормозном цилиндре и в результате жидкость выдавливается оттуда под давлением.
Из главного тормозного цилиндра жидкость поступает в гидравлический блок управления АБС.
В гидравлическом блоке управления есть 4 выхода, каждый из которых соединен трубкой с тормозным цилиндром на колесе.
На каждом из этих выходов гидравлического блока АБС стоит клапан, который открыт в первоначальном состоянии.
Жидкость под давлением выталкивается из гидравлического блока управления и по трубкам и шлангам поступает в тормозные цилиндры на каждом колесе.
В тормозном цилиндре на колесе создается давление, и жидкость выталкивает поршень, который связан с тормозными колодками.
В результате этого тормозные колодки давят на тормозной диск или барабан. Из-за этого между тормозными колодками и тормозным диском возникает сила трения, и он замедляет свое вращение.
Соответственно свое вращение замедляет и колесо.
В тормозных системах оборудованных АБС на ступице каждого колеса закреплен зубчатый диск и датчик.
При вращении колеса зубья диска проходят возле датчика, который фиксирует это.
Данные от датчика передаются в электронный блок управления.
При очень резком торможении колесо может заблокироваться и датчик по скорости замедления вращения колеса заметит это.
В результате чего электронный блок управления АБС видя, что какое-то колесо заблокировалось, подает сигнал на гидравлический блок управления и перекрывает клапан, подающий тормозную жидкость на это колесо.
Так как давления тормозной жидкости на это колесо снижается, оно перестает тормозить и начинает снова вращаться.
Как только колесо начинает вращаться, клапан на гидравлическом блоке открывается, и давление тормозной жидкости опять передается на тормозную систему этого колеса.
Колесо снова начинает тормозить.
Эти действия повторяются очень быстро и проявляются для водителя в том самом характерном звуке и вибрации педали тормоза при нажатии.
Благодаря этому при торможении колеса не блокируются и машина не идет, как называется юзом.
Ведь при движении юзом машина становится неуправляемой и не реагирует на рулевое управление. АБС же позволяет избежать этого и сохраняет у водителя возможность управления автомобилем.
Например, это поможет объехать препятствие, не отпуская педали тормоза. Существует заблуждение, что автомобили оборудованные системой АБС останавливаются на более коротком расстоянии, чем автомобили без АБС. В реальности это зачастую неправда.
Автомобиль с АБС в большинстве случаев пройдет больший путь до полной остановки, но благодаря тому, что при этом водитель может управлять автомобилем он сможет объехать препятствие, а не просто беспомощно нажимать на педаль тормоза и надеяться, что автомобиль остановится вовремя.
Также система АБС положительно влияет на состояние протектора покрышек. Ведь при отсутствии АБС и при блокировке колеса в торможении покрышка будет тереться об асфальт только одной точкой.
В результате такого торможения покрышка может сильно стереться в одном месте. При работе АБС такого не происходит.
Это описание упрощенного принципа работы системы АБС.
На практике же конструкция тормозной системы и АБС значительно сложнее. Например, тормозная система современного автомобиля имеет как минимум два независимых контура.
Это значит, что передние и задние колеса управляются отдельными трубками из главного тормозного цилиндра.
Это помогает сохранить возможность тормозить автомобилем, даже когда одна из трубок тормозной системы получит повреждение.
Как проверить АБС на автомобиле
Существуют различные инструкции по проверке датчика АБС. Первым признаком того, что с вашим автомобилем что-то не так, является мигание контрольной лампы ABS. В зависимости от модели автомобиля индикатор может быть оранжевым или красным. Если мы заводим автомобиль, он должен загореться на мгновение, а после запуска двигателя погаснуть. Это означает, что все в порядке. Хуже, когда лампочка перестает гореть или не гаснет. Отсутствие светового сигнала может иметь банальную причину, которая заключается в перегоревшей лампочке.
Но мы никогда не знаем, может быть, проблема сложнее, произошел отказ тормозной системы. Система управления автомобиля может быть повреждена. Одним из признаков наличия проблемы будет включение и выключение индикаторной лампочки. Обычно поломка тормозной системы не означает, что автомобиль вообще не будет тормозить. Это говорит лишь о том, что при резком торможении система не будет помогать водителю.

Мы можем почувствовать это при резком торможении на скользкой поверхности, важно не паниковать в этот момент. Это кажется опасной ситуацией, потому что мы привыкли, что наш интеллектуальный автомобиль сам себе помогает и не блокирует колесо
Большинство отказов и неисправностей связаны с одним из датчиков. Ремонт АБС автомобиля и замена этой системы не вызывают сложностей и не занимают много времени, да и стоят недорого. На некоторых (старых) моделях мы можем сами проверить работу тормозной системы.
Под консолью есть ящик, в котором находится система. Из коробки выходят четыре кабеля, два из которых идут от передних колес и два — от задних. На проводах при работающем двигателе нужно проверить сопротивление с помощью омметра. В правильно функционирующем кабеле оно должно составлять 1000 Ом. Если показатель отличается, лучше записаться на сервис. Метод работает практически для всех моделей, а если у вас нет соответствующего оборудования, стоит сразу поехать на станцию техобслуживания.
Подключение к компьютеру занимает некоторое время, но благодаря этому мы выясним, неисправен ли датчик или один из кабелей
Об этом стоит позаботиться, особенно зимой, когда хорошо функционирующая система усилителя тормозов имеет особенно важное значение. Отсутствие помощи при движении также ускоряет износ зимних шин.

Открытая система с 2/2-ходовыми электромагнитными клапанами
Существенное отличие антиблокировочной системы, разработанной впервые компанией Teves, заключается в том, что она является так называемой открытой системой и для модуляции тормозного усилия используются два 2/2-ходовых электромагнитных клапана: впускной клапан и выпускной клапан.

Впускные клапаны в обесточенном состоянии открыты обеспечивают обычную работу тормозной системы. Выпускные клапаны в обесточенном состоянии закрыты и перекрывают таким образом, обратную магистраль.
При необходимости вмешательства системы ABS в результате сильного замедления вращения колеса при торможении в соответствующий впускной клапан сначала подается ток, впоследствие чего клапан закрывается. Это препятствует дальнейшему повышению тормозного усилия в колесном тормозном цилиндре.
Если поддерживаемое таким образом давление слишком высокое (скорость вращения колес не повышается), то активизируется и открывается выпускной клапан. Тормозное усилие сбрасывается через обратную магистраль к компенсационному бачку главного тормозного цилиндра.
Если скорость вращения колес снова повышается, то оба клапана обесточиваются (впуск открыт, выпуск закрыт) и тормозное усилие снова может повышаться. Благодаря точной синхронной нагрузке клапанов током достигается практически плавная модуляция тормозного усилия.
Поскольку при снижении тормозного усилия тормозная жидкость уходит в компенсационный бачок, говорят об открытой системе.
Для предотвращения сильного «западания» педали тормоза при продолжительном торможении с ABS-регулировании и многократном снижении тормозного усилия блок управления активизирует гидравлический насос, который отводит назад тормозную жидкость из компенсационного бачка в главны тормозной цилиндр. Сигнал для управления насососом и блок управления передает датчик-переключатель положения педали тормоза.

В зависимости от положения педали датчик-переключатель положения педали ступенчато изменяет сопротивление. По соответствующему падению напряжения блок управления определяет положение и степень опускания педали тормоза.
Гидравлический насос работает теперь до тех пор, пока не будет жостигнуто первоначальное значение.
Работоспособность насоса в этой системе очень важна, поэтому контролируется датчиком скорости вращения. Кроме того, насос кратковременно включается при выполнении самодиагностики системы ABS после включения зажигания при пуске двигателя.



























