Тестирование снятого регулятора (со схемой)
Электронное реле чаще всего крепится на поверхности генератора рядом с валом генератора, по которому двигаются щетки, в районе контактных колец якоря генератора. Весь совмещенный узел закрыт пластиковой крышкой. Снимается она отверткой форма, которой может быть либо крестовидной, либо шестигранник.
Этапы проведения работ:
- Откручиваем два болта крепления и снимаем крышку.
 - Достаем щеточный узел.
 - Чистим его от графитовой пыли.
 - Собираем схему с использованием блока питания, зарядкой или вольтметром. Находим простую лампу на 12В от машины, можно с «габаритов» и провода, чтобы соединить всю схему в одно целое. Используем АКБ, если зарядное без него не работает. Уже от него провод присоединяем к регулятору, а к щеткам подключаем лампу при помощи «,крокодильчиков»,. Когда все подключено правильно лампа начнет светиться, потому что щеточный узел служит проводником электричества от вала.
 - Поднимаем напряжение на зарядке до 14,5В свет должен потухнуть, так как такое напряжение, как «отсечка» дальнейшего повышения напряжения. Снизив напряжение на зарядном устройстве, лампа должна вновь загореться. Если напряжение поднялось до 15–16В, а лампа горит, значит, реле негодно.
 

Схема проверки реле-регулятора
По тому же принципу можно проверить отдельный тип регулятора нового образца. Для этого необходимо отсоединить его от кузова или крышки генератора и прикрепить к схеме. Проверку осуществлять таким же образом. Что касается старого типа реле-регулятора, установленного на копейках, то проверять его нужно немного по-другому. Их маркировка – «67» и «15». Первый контакт «67» — является минусом, а «15» — плюсом. В остальном принцип тот же.
Интересное по теме:
Дополнительные возможности регуляторов
Различные регуляторы напряжения имеют множество дополнительных функций:
Температурная компенсация. Благодаря ей напряжение регулятора уменьшается, если температура аккумулятора растет. Если внешний регулятор напряжения используется с мощным генератором, то высокий ток нагреет аккумулятор и внутреннее сопротивление аккумулятора уменьшится. Если регулятор не снизит напряжение, аккумулятор начнет потреблять все больший и больший ток, а его температура продолжит расти. В худшем случае аккумулятор окажется в состоянии термического разгона. Нагревшаяся батарея будет потреблять практически любой ток, ее температура продолжит расти, электролит закипит, активный материал высыплется из решёток, корпус расплавится и может быть даже взорвется.
Если система рассчитана на поддержание постоянной скорости заряда выше 10-15% от емкости аккумуляторной батареи, и особенно выше 25%, то в целях безопасности мощный регулятор напряжения должен иметь температурную компенсацию, основанную на измерении температуры аккумулятора, а не самого устройства.
Если корпус аккумулятора становится теплым на ощупь, значит температура внутри аккумулятора приближается к опасно высокой.
Рекомендуемые напряжения зарядки и температурной компенсации для гелевых аккумулятоов DEKA:
| Температура, С | Напряжение зарядки, Вольт | Поддерживающее напряжение, Вольт | ||
| Нормальное | Максимальное | Нормальное | Максимальное | |
| свыше 49 | 13,0 | 13,3 | 12,8 | 13 | 
| 44-48 | 13,2 | 13,5 | 12,9 | 13,2 | 
| 38-43 | 13,3 | 13,6 | 13 | 13,3 | 
| 32-37 | 13,4 | 13,7 | 13,1 | 13,4 | 
| 27-31 | 13,5 | 13,8 | 13,2 | 13,5 | 
| 21-26 | 13,7 | 14 | 13,4 | 13,7 | 
| 16-20 | 13,85 | 14,15 | 13,55 | 13,85 | 
| 10-15 | 14 | 14,30 | 13,7 | 14 | 
| 5-9 | 14,2 | 14,5 | 13,9 | 14,2 | 
Рекомендуемые напряжения зарядки и температурной компенсации для AGM аккумуляторов DEKA:
| Температура, С | Напряжение зарядки, Вольт | Поддерживающее напряжение, Вольт | ||
| Нормальное | Максимальное | Нормальное | Максимальное | |
| свыше 49 | 13,6 | 13,9 | 12,8 | 13 | 
| 44-48 | 13,8 | 14,1 | 12,9 | 13,2 | 
| 38-43 | 13,9 | 14,2 | 13 | 13,3 | 
| 32-37 | 14,0 | 14,3 | 13,1 | 13,4 | 
| 27-31 | 14,1 | 14,4 | 13,2 | 13,5 | 
| 21-26 | 14,3 | 14,6 | 13,4 | 13,7 | 
| 16-20 | 14,45 | 14,75 | 13,55 | 13,85 | 
| 10-15 | 14,6 | 14,9 | 13,7 | 14 | 
| 5-9 | 14,8 | 15,1 | 13,9 | 14,2 | 
Возможности внешних регуляторов:
- Таймер работающий во время стадий зарядки и поглощения. Если по какой-то причине ток, потребляемый аккумулятором в конце второй стадии не уменьшился, регулятор все равно переключится на поддерживающую зарядку. Это защитит аккумулятор от перезарядки в результате короткого замыкания в ячейке или другой похожей проблемы.
 - Функция временной задержки. Генератор включается спустя несколько секунд после запуска двигателя. Это устраняет возможные проблемы при запуске, вызванные высокими нагрузками генератора с высокой выходной мощностью. Затем выход генератора постепенно увеличивается, чтобы избежать ударной нагрузки на приводной ремень.
 - Ограничение тока. Регулятор ограничивает максимальный ток, отдаваемый генератором в нагрузку и защищает стандартный генератор. Ограничение тока также используют для контроля максимальной мощности генератора на небольшом двигателе.
 - Контроль напряжения на аккумуляторах, а не на выходе генератора. Позволяет точнее контролировать состояние и управлять процессом зарядки.
 - Водонепроницаемый корпус.
 
Из каких элементов состоит автомобильный генератор

Основа – это корпус, иначе он называется статором. Это неподвижная часть любой электрической машины. В статоре имеется обмотка. В автомобильных генераторах она состоит из трех частей. Все дело в том, что на выходе генерируется трехфазное переменное напряжение, значение его – около 30 Вольт. Причина использования такой конструкции – уменьшение пульсаций, так как фазы перекрывают друг друга, в результате появляется после выпрямителя постоянный ток. Для преобразования напряжения используются шесть полупроводниковых диодов. Они имеют одностороннюю проводимость. Если произойдет пробой, то определить это при помощи тестера достаточно просто.
Но не будет на выходе статорной обмотки напряжения, если не учесть одно условие – необходимо магнитное поле, причем движущееся. Сделать его несложно, достаточно на металлическом якоре намотать обмотку и подать на нее питание. Но теперь возникает вопрос о стабилизации напряжения. Делать это на выходе нет смысла, так как элементы потребуются очень мощные, ведь токи большие. Но тут приходит на помощь конструкторам одна особенность электрических машин – если на роторную обмотку подать стабилизированное напряжение, то магнитное поле не будет изменяться. Следовательно, на выходе генератора также стабилизируется напряжение. Так же работает и генератор ВАЗ 2107, регулятор напряжения которого функционирует на тех же принципах, что и у «десяток».
Проверка интегрального реле-регулятора
В случае исполнения реле-регулятора в виде модуля щеточного узла осуществляется совмещенная проверка. Для ее выполнения потребуются:
- регулируемый источник напряжения (его функции выполняет зарядное устройство);
 - автомобильная лампочка малой мощности (для подфарников, указателей поворота или плафона салонного освещения);
 - несколько соединительных проводов.
 
Кроме того, разбираем генератор. Для этого откручиваем один или несколько (в зависимости от исполнения) крепежных болтов, снимаем щеточный узел, который очищаем от графитовой пыли.
Н вход щеточного узла подключаем регулируемый источник, а к его выходу, который совпадает с выходом реле – лампочку. Для некоторых моделей зарядных устройств параллельно выходу потребуется подключить аккумуляторную батарею, так как иначе источник не включится.
Далее включаем источник и изменяем его выходное напряжение, которое контролируется по встроенному индикатору или мультиметром.
С учетом того, что щетки хорошо проводят электрический ток, а реле может находиться в двух состояниях и имеет пороговую характеристику:
- при входном напряжении не свыше 14,5 – 14,7 В лампочка горит;
 - в случае превышения указанного значения реле срабатывает, что отмечается погасшей лампочкой.
 
Если лампочка продолжает гореть при напряжении 16 В и более, реле считается вышедшим из строя и подлежит обязательной замене.
Схема подсоединения РКН
Ограничивающее реле в щитовой монтируется всегда после счетчика, разрывая фазный кабель. Непосредственные задачи защитного прибора — контроль входящего напряжения в квартиру или коттедж и отсечение фазы в случае возникновения проблем. Другой схемы подключения не предусмотрено.
Вам это будет интересно Эксплуатация мультиметра DT- 832: инструкция по применению
Однофазные реле имеют два варианта подключения:
- нагрузка распределяется через РКН;
 - распределение нагрузки осуществляется через магнитный пускатель (контактор).
 

Практически всегда при установке в доме электрического щита используется первый вариант подключения реле напряжения. Сегодня такие устройства представлены на рынке в широком ассортименте, поэтому купить РКН необходимой мощности не составит никакого труда. Главное достоинство таких защитных приборов — возможность параллельного монтажа одновременно нескольких реле, к каждому из которых подключается отдельная группа бытового электрооборудования.
Общие рекомендации
При подключении удлинителя или вилки-розетки также не должно быть никаких проблем. Эти варианты предполагают использование штепсельных соединений. При самостоятельной установке защитных устройств в распределительный щиток квартиры необходимо следовать определенным правилам, чтобы впоследствии облегчить обслуживание РКН в процессе эксплуатации:
- монтаж реле контроля напряжения всегда выполняется после счетчика;
 - перед РКН рекомендуется дополнительно поставить аппарат защиты, который имеет токовую установку на 20—30% меньше самого реле;
 - значительно повысить безопасность эксплуатации бытового электрооборудования можно, если дополнительно установить стабилизаторы, УЗО и прочие защитные приборы.
 
Главное, чтобы к месту монтажа защитных электротехнических приборов был свободный доступ для осуществления контроля их работы и обслуживания.
Характеристика приборов Зубр
Защитные реле-регуляторы зарубежного и отечественного производства для бытового применения широко представлены на рынке электротехнического оборудования. Большим спросом у потребителей пользуются модели РКН марки Зубр, которые предлагает компания DS Elесtronics.
В линейке представлены приборы, предназначенные для монтажа на дин-рейку, удлинители и вилки-розетки. Реле напряжения для подключения в штепсельную розетку выполнены под номинальный ток 16А, остальные соответствуют стандартной шкале допустимых значений тока — 16, 25, 32, 40, 50 и 63А. Устройства для дин-рейки оснащены тремя кнопками управления:
- кнопка максимального значения напряжения, при котором блокируется подача тока (верхняя);
 - кнопка минимального значения напряжения (нижняя);
 - кнопка включения подачи тока после блокировки (центральная).
 
Производитель установил период 3 секунды для повторного включения работы сети. Все установленные параметры сохраняются в памяти прибора даже при продолжительных отключениях подачи электрической энергии. Особенности конструкции реле-регуляторов напряжения бренда Зубр:
- ширина прибора — 5,3 см (соответствует трем модулям дин-рейки);
 - установочный шаг периода повторного включения работы — 3 секунды;
 - установочный шаг для отключения сетевого напряжения — 1В;
 - буква t обозначает, что прибор защищен от внутреннего перегревания.
 
Вам это будет интересно Проверка транзистора мультиметром
Реле напряжения для квартиры Зубр пользуется огромной популярностью благодаря возможности визуального контроля рабочих параметров.
Как проверить регулятор напряжения генератора
Современный регулятор, совмещенный со щеточным узлом, применяется на большинстве автомобилей иностранного и отечественного производства. Для начала оценим доступ к генератору. Если он труднодоступен и неудобен, то лучше будет снять его с автомобиля. Если же доступ свободный, то снимаем с него реле, не снимая генератор. Но перед этим обязательно нужно снять минусовую клемму с аккумулятора.
Регулятор крепится к генератору со стороны задней крышки обычно двумя болтами. Откручиваем их и аккуратно, чтобы не повредить щетки, снимаем его, предварительно отсоединив от него провода.
Для дальнейшей проверки нам понадобится либо блок питания, либо зарядное устройство, лампа на кальвания на 12 вольт. Главное, чтобы можно было увеличивать и уменьшать напряжение от 10 до 16 вольт. Если для проверки будет использоваться зарядное устройство, то понадобится еще и аккумулятор. Дело в том, что многие зарядные устройства не работают без него.
Подключаем зарядное устройство к аккумуляторной батарее в штатном режиме. Дополнительно к клеммам батареи подсоединяем мультиметр и два провода. Один на плюс, другой на минус. И соединяем их с реле-регулятором. Плюсовая клемма регулятора — это штекер. Минус — металлическая пластинка под одним из крепежных отверстий. Проводами подсоединяем к щеткам лампочку. Стенд готов, можно начать проверку. Блок питания подключается так же, только без аккумулятора.
Подключаем зарядное устройство к внешней сети и включаем его. Ручка регулятора нагрузки должна быть на минимальном уровне. Начинаем потихоньку поднимать напряжение. При этом накал лампочки должен понемногу увеличиваться. При нагрузке 12 вольт и более она должна гореть в полный накал. Продолжаем плавно поднимать напряжение до тех пор, пока не потухнет лампочка, или нагрузка не достигнет значения 15 вольт. Если регулятор исправен, то лампочка должна погаснуть на значении напряжения 14,2 -14,5. При снижении нагрузки лампочка опять загорится.
Если лампочка тухнет до 14 вольт, или достигнуто напряжение более 14,8 вольт, а лампочка все еще горит, то такой регулятор надо менять.
Проверка отдельного регулятора напряжения генератора
Таким же способом проверяется отдельно стоящий стабилизатор. В основном он крепится на кузове в моторном отсеке. Но иногда и на крышку генератора. В любом случае откручиваем его и подсоединяем к стенду. Пусть, например, это будет стабилизатор типа Я112 В.
Плюсовой провод подсоединяем к клеммам «Б» и «В», минус подаем на корпус. Контрольную лампочку соединяем с клеммами «В» и «Ш». Далее делаем все точно так же, как и с совмещенным стабилизатором. Плавно поднимаем нагрузку, при достижении 14,5 вольт должна произойти отсечка. Если отсечки нет, то меняем регулятор.
Проверяем устаревший 591.3702−01
Этот устаревший тип реле устанавливался почти на все заднеприводные автомобили. Относится он к отдельно стоящим. Всегда крепился к кузову моторного отсека. Схема подключения для проверки слегка отличается от вышеописанной. Действия и суть проверки остаются прежними.
Здесь имеется всего два контакта. Маркировка выполнена цифрами «67» и «15». Контакт под номером «67» — это минусовая клемма. Соответственно «15» — плюс. Минусовой провод с зарядного устройства закрепляем на корпусе устройства. Плюсовой крепим на клемме 15. Провода контрольной лампочки соединяем: один на корпусе, второй и клемме «67». Наш стенд готов к проверке.
Как проверить мультиметром регулятор к1216ен1
И напоследок пару слов о реле к1216ен1. Этот регулятор устанавливался на заднеприводные, и переднеприводные ВАЗы с инжекторными двигателями. Если учесть тот факт, что таких автомобилей эксплуатируется немало по всему постсоветскому пространству, нельзя обойти его стороной.
Этот регулятор принадлежит к совмещенному реле со щеточным узлом. Его предварительная и основная проверка проводится по вышеописанному методу. Никаких особых отличий нет.
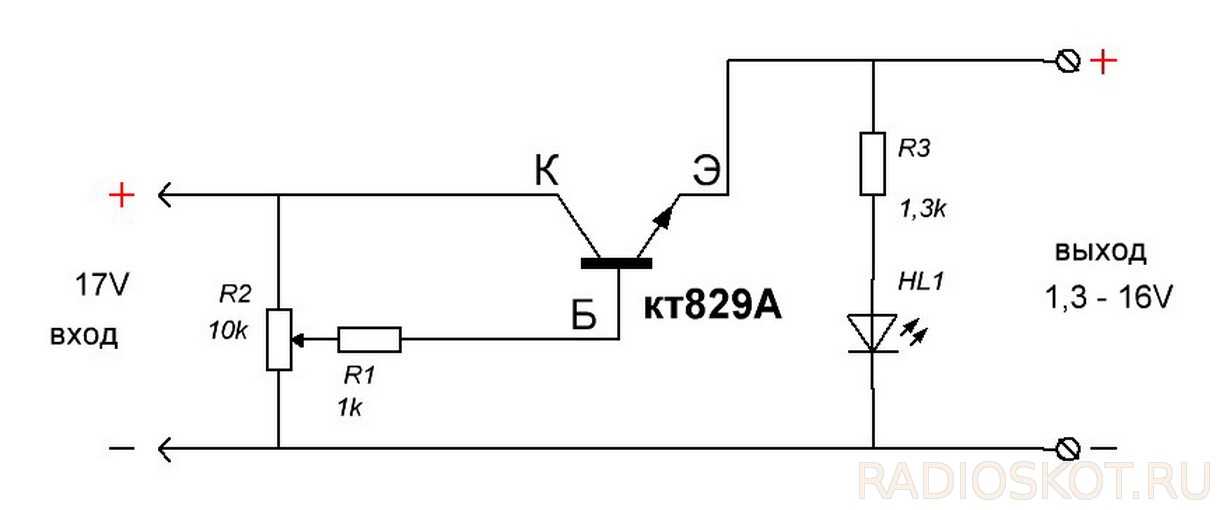
Схема номер 1

Имелся стабилизированный импульсный блок питания, дающий на выходе напряжение 17 вольт и ток 500 миллиампер. Требовалось периодическое изменение напряжения в пределе 11 – 13 вольт. И общеизвестная схема регулятора напряжения на одном транзисторе с этим прекрасно справлялась. От себя добавил к ней только светодиод индикации да ограничительный резистор. К слову, светодиод здесь это не только «светлячок» сигнализирующий о наличии выходного напряжения. При правильно подобранном номинале ограничительного резистора, даже небольшое изменение выходного напряжения отражается на яркости свечения светодиода, что даёт дополнительную информацию о его повышении или понижении. Напряжение на выходе можно было изменять от 1,3 до 16 вольт.

КТ829 — мощный низкочастотный кремниевый составной транзистор, был установлен на мощный металлический радиатор и казалось, что при необходимости он вполне может выдержать и большую нагрузку, но случилось короткое замыкание в схеме потребителя и он сгорел. Транзистор отличается высоким коэффициентом усиления и применяется в усилителях низкой частоты – видно действительно его место там а не в регуляторах напряжения.

Слева снятые электронные компоненты, справа приготовленные им на замену. Разница по количеству в два наименования, а по качеству схем, бывшей и той, что решено было собрать, она несопоставима. Напрашивается вопрос – «Стоит ли собирать схему с ограниченными возможностями, когда существует более продвинутый вариант «за те же деньги», в прямом и переносном смысле этого изречения?»
Разновидности реле регуляторов
Прежде, чем произвести самостоятельный ремонт устройства регулирования напряжения, необходимо учесть, что существует несколько типов регуляторов:
- внешние – повышают ремонтопригодность генератора
 - встраиваемые – в пластину выпрямителя или щеточный узел
 - регулирующие по минусу – появляется дополнительный провод
 - регулирующие по плюсу – экономичная схема подключения
 - для генераторов переменного тока – нет функции ограничения напряжения на обмотку возбуждения, так как она заложена в самом генераторе
 - для генераторов постоянного тока – дополнительная опция отсечения АКБ при неработающем ДВС
 - двухуровневые – морально устарели, применяются редко, регулировка пружинами и небольшим рычагом
 - трехуровневые – дополнены специальной платой сравнивающего устройства и сигнализатором согласования
 - многоуровневые – в схеме имеются 3 – 5 добавочных резисторов и система слежения
 - транзисторные – в современных авто не используются
 - релейные – улучшенная обратная связь
 - релейно-транзисторные – универсальная схема
 - микропроцессорные – небольшие габариты, плавные регулировки нижнего/верхнего порога срабатывания
 - интегральные – встраиваются в щеткодержатели, поэтому заменяются после истирания щеток
 







Реле генераторов постоянного тока
Таким образом, схема подключения регулятора напряжения при эксплуатации генератора постоянного тока сложнее. Поскольку в стояночном режиме авто, когда ДВС заглушен, необходимо отключить генератор от АКБ.
При диагностике проверка реле происходит на выполнение трех его функций:
- отсечка аккумулятора во время стоянки машины
 - ограничение максимального тока на выходе генератора
 - регулировка напряжения для обмотки возбуждения
 

При любой неисправности требуется ремонт.
Реле генераторов переменного тока
В отличие от предыдущего случая диагностика своими руками регулятора генератора переменного тока немного проще. В конструкцию «автомобильной электростанции» уже заложена функция отсечки питания во время стоянки от АКБ. Остается проверить лишь напряжение на обмотке возбуждения и на выходе с генератора.

Если в машине стоит генератор тока переменного, его невозможно завести разгоном с горки. Так как остаточного намагничивания на возбуждающей обмотке здесь нет по умолчанию.
Встроенные и внешние регуляторы
Для автолюбителя важно знать, что измеряют и начинают регулировать напряжение реле в конкретном месте их установки. Поэтому встроенные модификации воздействуют непосредственно на генератор, а выносные «не знают» о его наличии в машине
Управление по «+» и «–»
В принципе схемы управления по «минусу» и «плюсу» отличаются лишь схемой подключения:
- при монтаже реле в разрыв «+» одна щетка подключается к «массе», другая к клемме регулятора
 - если же подключить реле в разрыв «–», то одну щетку нужно подключить к «плюсу», другую к регулятору
 

Однако в последнем случае появится еще один провод, поскольку реле напряжения является устройством активного типа. Для него необходимо индивидуальное питание, поэтому «+» нужно подвести отдельно.
Двухуровневые
На начальном этапе в машинах устанавливались механические двухуровневые регуляторы напряжения с простым принципом действия:
- через реле проходит электрический ток
 - возникающее магнитное поле притягивает рычаг
 - сравнивающим устройством служит пружина с заданным усилием
 - при увеличении напряжения контакты размыкаются
 - на возбуждающую обмотку поступает меньший ток
 

Использовались механические двухуровневые реле в автомобилях ВАЗ 21099. Основным минусом являлась работа с повышенным износом механических элементов. Поэтому на смену этим приборам пришли электронные (бесконтактные) реле напряжения:
- делитель напряжения собран из резисторов
 - стабилитрон является задающим устройством
 
Сложная схема соединения и недостаточно эффективный контроль напряжения привели к снижению спроса на эти приборы.
Трехуровневые
Однако двухуровневые регуляторы, в свою очередь, так же уступили позиции более совершенным трехуровневым и многоуровневым приборам:
- напряжение выходит с генератора на специальную схему через делитель
 - информация обрабатывается, действительное напряжение сравнивается с минимальным и максимальным пороговым значением
 - сигнал рассогласования регулирует силу тока, поступающего на возбуждающую обмотку
 

Более совершенными считаются реле с частотной модуляцией – в них нет привычных сопротивлений, зато увеличена частота срабатывания ключа электронного. Управление осуществляется логическими схемами.
Механические регуляторы напряжения
История автомобилестроения насчитывает уже более сотни лет, за это время было изобретено и внедрено множество конструкций, которые улучшают показатели всех агрегатов. Среди них и реле-регулятор, так как современная машина не сможет без него нормально работать. Изначально использовались механические устройства, в основе которых лежало электромагнитное реле. Например, регулятор напряжения генератора ВАЗ первых моделей был именно таким.

У него, как оказалось позднее, нет никаких плюсов, сплошь и рядом недостатки. Причем основной минус – это низкая надежность вследствие того, что присутствуют подвижные контакты. Они со временем стираются, так как прибор работает постоянно, без остановок. Кроме того, иногда требуется проводить регулировочные работы, что не очень хорошо сказывается на эксплуатации автомобиля. Современность диктует правило, по которому машина должна проходить техобслуживание своевременно в сервисных центрах. И водитель не должен уметь проводить сложный ремонт, от него требуется только умение управлять автомобилем и менять колесо (это максимум).
Работа двухуровневого регулятора
При работе генератора на выходе появляется напряжение, которое поступает на обмотку электромагнитного реле. При этом возникает магнитное поле, с его помощью притягивается плечо рычага. На последний действует пружина, она используется как сравнивающее устройство. Если напряжение становится выше, чем положено, контакты электромагнитного реле размыкаются. При этом в цепь включается постоянное сопротивление. На обмотку возбуждения подается меньший ток. По подобному принципу работает реле-регулятор напряжения генератора ВАЗ 21099 и других автомобилей отечественного и импортного производства. Если же на выходе уменьшается напряжение, то производится замыкание контактов, при этом изменяется сила тока в большую сторону.
Как проверить регулятор напряжения скутера на исправность — теория и практика
Регулятор напряжения, или как еще его называют, реле-регулятор, имеет четкое предназначение на современных скутерах. Регулятор напряжения стабилизирует ток, подающийся от генератора, чтобы его затем можно было распределить на основные потребители, такие как лампочки, датчики, реле, аккумулятор, индикаторы, пусковой обогатитель и др.
Проще говоря, регулятор напряжения на скутере — это своеобразный трансформатор в электрической сети, который понижает и стабилизирует напряжения до уровня, который способствует нормальной работе всех приборов и имеет определенные рамки, за которые скачки напряжения недопустимы.
Заключение
Переход на трехуровневое реле-регулятор автомобильного генератора улучшает функционирование электрооборудования автомобиля и увеличивает срок службы аккумулятора. Положительный эффект от его установки проявляется во время сильных морозов. Рекомендуется заменять штатное реле трехпозиционным на машинах производства ВАЗ моделей 9 и старше.
Необходимые компоненты предлагаются в виде сравнительно дешевого готового к монтажу и удобного в работе комплекта. Замена старого реле с последующей проверкой качества монтажа не составляет проблем и выполняется автолюбителем даже с начальным уровнем квалификации в области электротехники. Регулятор отличается высокой эксплуатационной надежностью и оправдывает установку.
Печать


























